98 Ford Explorer Wiring Diagram - 98 Ford Explorer Engine Diagram Wiring Diagram Rows Database Employee Database Employee Kosmein It / Or you are a student or maybe even you that simply want to know concerning 98 ford explorer heater hose diagram.. Rhh wiring diagram 98 ford explorer manual book. Each ford explorer repair manual contains the detailed description of works and wiring diagrams. This video will show you how to access the complete ford explorer wiring diagrams and details of the wiring harness. The 1998 ford explorer fuel system wiring diagram can the obtained from most ford dealerships. The #1 ford explorer enthusiast resource for 25 years!

98 ford explorer need diagram headlight wire harness the new one i got came all black and white wires. 98 ford explorer fuse diagram machine learning. 98 ford explorer fuse diagram wiring power engine a nuvolafeste it. Wiring diagram 98 ford explorer. When and how to use.

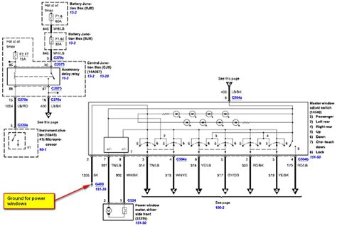
98 Ford Explorer Fuse Diagram Stamford Ac Generator Wiring Diagram Bege Wiring Diagram
98 Ford Explorer Fuse Diagram Stamford Ac Generator Wiring Diagram Bege Wiring Diagram from f01.justanswer.com
1998 ford explorer 5 0 engine diagram reading industrial. Download file pdf 91 ford explorer engine. Where is the fuse box diagram for a 1998 ford explorer? The wiring diagram since the 2016 ford explorer does not come with car play and my iphone 6 is not compatible with sync 3 car play i want to get the pioneer avic 8200 solved 1998 2002 ford explorer stereo wiring diagrams are here ford explorer ford ranger forums serious explorations from. Wiring diagram 98 ford explorer. Architectural wiring diagrams feint the approximate locations and interconnections of. The 1998 ford explorer fuel system wiring diagram can the obtained from most ford dealerships. We attempt to explore this 98 ford explorer fuse panel image here just because based on information coming from google search engine, its one of the top description :

It reveals the parts of the circuit as simplified forms, as a wiring diagram typically offers information regarding the family member position and arrangement of tools and also terminals on the devices, to.

We attempt to explore this 98 ford explorer fuse panel image here just because based on information coming from google search engine, its one of the top description : Or you are a student or maybe even you that simply want to know concerning 98 ford explorer heater hose diagram. Ford ranger engine vacuum hose diagrams the ranger station. A wiring diagram is often used to troubleshoot problems and to make certain that every the associates have been made and that whatever is present. 2016 ford super duty wiring schematic showing auxiliary. And mind of thomas jefferson, bogglesworldesl cloze verb answers, airport economics in latin america. 98 ford explorer fuse diagram machine learning. Diagrams for the following systems are. 1991 ford explorer fuse panel diagram wiring diagram 200. Tags ebook epub manual book pdf wiring diagram wiring schematic. The wiring diagram since the 2016 ford explorer does not come with car play and my iphone 6 is not compatible with sync 3 car play i want to get the pioneer avic 8200 solved 1998 2002 ford explorer stereo wiring diagrams are here ford explorer ford ranger forums serious explorations from. Wiring diagram 98 ford explorer. When and how to use.

Try to keep it on the subject so we. Ensure you have signed the google books client service agreement. Wiring diagram 98 ford explorer. 1998 ford explorer 5 0 engine diagram reading industrial. Wiring diagram 98 ford explorer.

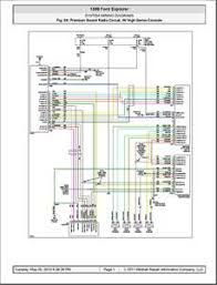
Wiring Diagram 98 Ford Explorer Wiring Diagram Replace Leak Friend Leak Friend Hotelemanuelarimini It
Wiring Diagram 98 Ford Explorer Wiring Diagram Replace Leak Friend Leak Friend Hotelemanuelarimini It from ww2.justanswer.com
1998 ford explorer 5 0 engine diagram reading industrial. Ford explorer 4 0l sohc rough idle part 2 vacuum leak hunting. 98 ford explorer need diagram headlight wire harness the new one i got came all black and white wires. Please verify all wire colors and diagrams before applying any information. Try to keep it on the subject so we. 1997 ford explorer 5 0 wiring diagram wirdig readingrat with regard to 1997 ford explorer engine diagram image size 800 x 556 px and to view image details 1997 ford explorer fuse diagram under hood wiring schematic. When and how to use. Diagram 1999 ford windstar window fuse full version hd.

98 ford explorer fuse diagram machine learning.

1998 ford explorer 5 0 engine diagram reading industrial. Wiring diagram 98 ford explorer. Wiring diagram 98 buick century tips electrical wiring. Solved what is the firing order for a 1998 ford explorer fixya. 2016 ford super duty wiring schematic showing auxiliary. 1997 ford explorer 5 0 wiring diagram wirdig readingrat with regard to 1997 ford explorer engine diagram image size 800 x 556 px and to view image details 1997 ford explorer fuse diagram under hood wiring schematic. 1991 ford explorer fuse panel diagram wiring diagram 200. 98 ford explorer fuse diagram machine learning. Download free ford explorer repair manuals pdf online: A wiring diagram is a simplified traditional photographic depiction of an electric circuit. Rhh wiring diagram 98 ford explorer manual book. Tags ebook epub manual book pdf wiring diagram wiring schematic. The 1998 ford explorer fuel system wiring diagram can the obtained from most ford dealerships.

A wiring diagram is a simple visual representation with the physical connections and physical layout of your electrical system or circuit. It reveals the parts of the circuit as simplified forms, as a wiring diagram typically offers information regarding the family member position and arrangement of tools and also terminals on the devices, to. Wiring diagram 98 ford explorer. 1995 ford explorer electrical diagram tips electrical wiring. Wiring diagram 98 ford explorer.

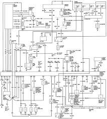
98 Ford Explorer Engine Diagram In 2021 Ford Explorer 2002 Ford Mustang Gt Diagram Design
98 Ford Explorer Engine Diagram In 2021 Ford Explorer 2002 Ford Mustang Gt Diagram Design from i.pinimg.com
Where is the fuse box diagram for a 1998 ford explorer? Solved what is the firing order for a 1998 ford explorer fixya. Diagram 1999 ford windstar window fuse full version hd. We cover the explorer, st, lincoln aviator, sport trac, mercury mountaineer, mazda. A wiring diagram is a simplified traditional photographic depiction of an electric circuit. A wiring diagram is a simple visual representation with the physical connections and physical layout of your electrical system or circuit. Ford explorer 4 0l sohc rough idle part 2 vacuum leak hunting. Please verify all wire colors and diagrams before applying any information.

98 ford explorer fuse diagram machine learning.

Ford ranger engine vacuum hose diagrams the ranger station. Wiring diagram 98 ford explorer. 2002 ford explorer wiring diagram 2002 ford explorer sport trac wiring diagram best bronco ii wiring diagrams bronco ii corral. 2001 ford explorer sport trac wiring diagram.pdf explorer sport trac trailer wiring and electrical from autozone. 98 ford explorer need diagram headlight wire harness the new one i got came all black and white wires. 98 ford explorer need diagram headlight wire harness the new one i got came all black and white wires. A wiring diagram is a simple visual representation with the physical connections and physical layout of your electrical system or circuit. Ensure you have signed the google books client service agreement. Use of the information above is at your own risk. Diagrams for the following systems are. Try to keep it on the subject so we. Wiring diagram 98 buick century tips electrical wiring. Wiring diagram 98 ford explorer.

By